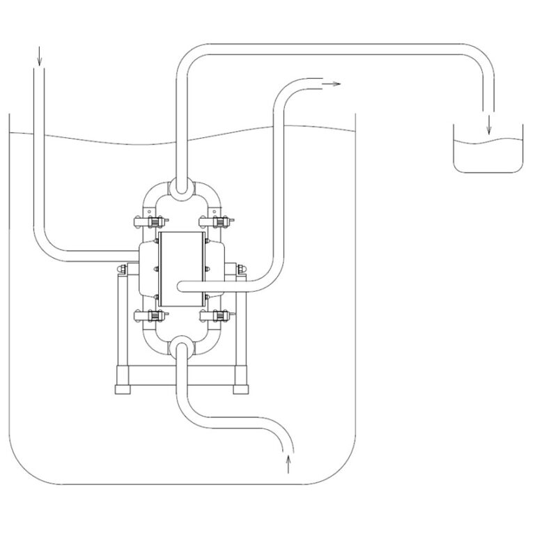
Fonctionnement sous l'eau
Nos pompes peuvent fonctionner en immersion totale. Toutefois, le matériau utilisé doit être adapté au liquide environnant et la sortie doit être située au-dessus du niveau du liquide.
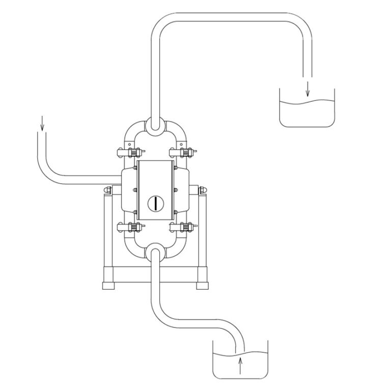
Pression d'aspiration positive
Convient pour la vidange complète de réservoirs de stockage, de décantation ou de conteneurs similaires. La pression d’entrée optimale se situe entre 0,2 et 0,3 bar.